Маяки
Маяки позволяют судну ориентироваться относительно швартовочной станции
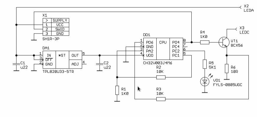
Наши маяки состоят из:
Мощного инфракрасного светодиода
Микроконтроллера, генерирующего сигнал для светодиода
Маяки собраны на печатных платах, произведённых в России
Схема маяка
Печатная плата
Печатная плата, недорого
Маяк размещён в корпусе,
напечатанном на 3D-принтере
Собранные маяки поставлены на плавучие платформы
This site was made on
Tilda — a website builder
that helps to create a website without any code
Create a website
How to remove this block?
About platform
Submit a complaint